Wielu właścicieli domów z tradycyjnym szambem zastanawia się, czy istnieje sposób na uniezależnienie się od kosztownych i uciążliwych wywozów nieczystości. Mam dla Was dobrą wiadomość: modernizacja szamba na przydomową oczyszczalnię ścieków to realne i coraz popularniejsze rozwiązanie. W tym kompleksowym poradniku pokażę Wam krok po kroku, jak przeprowadzić ten proces, aby znacząco obniżyć rachunki, zwiększyć wygodę i zadbać o środowisko.
Przerobienie szamba na oczyszczalnię jest opłacalne sprawdź, jak to zrobić krok po kroku
- Modernizacja szamba to inwestycja, która zwraca się w kilka lat dzięki eliminacji kosztów regularnego wywozu nieczystości.
- Najpopularniejszą metodą jest montaż zestawu adaptacyjnego (retrofit), który przekształca szczelny zbiornik w biologiczną oczyszczalnię w technologii SBR.
- Absolutną podstawą do rozpoczęcia prac jest posiadanie szczelnego, sprawnego technicznie zbiornika o odpowiedniej pojemności.
- Pod względem prawnym, taka modernizacja często traktowana jest jako "nieistotne odstąpienie od projektu", co upraszcza formalności do zgłoszenia.
- Na realizację inwestycji w 2025 roku można uzyskać dofinansowanie z programów gminnych lub funduszy ochrony środowiska.
Czy przerobienie szamba na oczyszczalnię naprawdę się opłaca?
Z mojego doświadczenia wynika, że decyzja o modernizacji szamba na przydomową oczyszczalnię ścieków to jedna z lepszych inwestycji, jakie można poczynić w swoim domu. Głównym motywatorem są oczywiście finanse. Koszty regularnego wywozu nieczystości rosną z roku na rok, a w skali kilku lat mogą sięgać nawet kilkunastu tysięcy złotych. Przerobienie szamba na oczyszczalnię to inwestycja, która zazwyczaj zwraca się w ciągu 3-7 lat, a potem generuje już tylko oszczędności.Poza portfelem, modernizacja szamba to także ogromna wygoda i korzyści dla środowiska. Koniec z pamiętaniem o terminach wywozu, z nieprzyjemnymi zapachami czy stresem związanym z przepełnieniem zbiornika. Oczyszczone ścieki, które trafiają do gruntu, są bezpieczne dla ekosystemu, co daje poczucie, że działamy odpowiedzialnie i proekologicznie.
Nie można też zapomnieć o zaostrzających się przepisach i kontrolach. Wiele gmin coraz bardziej rygorystycznie podchodzi do kwestii szczelności szamb i regularności wywozów. Posiadanie przydomowej oczyszczalni to spokój ducha i pewność, że nasza instalacja jest zgodna z obowiązującym prawem i nie narazi nas na kary.Sprawdź, czy twoje szambo nadaje się do modernizacji
Zanim w ogóle zaczniemy myśleć o technologii czy kosztach, musimy upewnić się, że nasze istniejące szambo nadaje się do przerobienia. To absolutna podstawa, której nie można zbagatelizować. Oto kluczowe warunki, które należy spełnić:
- Konieczność wykonania testu szczelności i oceny stanu technicznego. To najważniejszy punkt. Zbiornik musi być w 100% szczelny i w dobrym stanie technicznym. Nieszczelne szambo nie tylko jest niezgodne z prawem, ale przede wszystkim stwarza ryzyko zanieczyszczenia gruntu i wód gruntowych. Przed modernizacją należy zlecić profesjonalny test szczelności i ocenę konstrukcji zbiornika, aby upewnić się, że nie ma pęknięć ani uszkodzeń. W przypadku wykrycia nieszczelności, należy je bezwzględnie usunąć, co może wiązać się z dodatkowymi kosztami.
- Dopasowanie pojemności zbiornika do liczby mieszkańców. Pojemność istniejącego szamba musi być odpowiednia do liczby osób zamieszkujących dom. Zbyt mały zbiornik będzie wymagał częstszego opróżniania osadu, a zbyt duży może prowadzić do problemów z utrzymaniem odpowiedniej biomasy. Zazwyczaj przyjmuje się, że na 4-5 osób wystarcza zbiornik o pojemności około 4-6 m³. Warto skonsultować to z producentem zestawu modernizacyjnego lub specjalistą, aby dobrać optymalne rozwiązanie.
- Analiza lokalizacji zbiornika i możliwości odprowadzenia oczyszczonej wody. Oczyszczone ścieki muszą mieć gdzie trafić. Zazwyczaj odprowadza się je do drenażu rozsączającego, studni chłonnej, rowu melioracyjnego lub rzadziej do rzeki. Należy sprawdzić warunki gruntowo-wodne na działce (np. poziom wód gruntowych, rodzaj gruntu), aby określić, jaka metoda odprowadzenia będzie najskuteczniejsza i zgodna z przepisami. Odległości od budynków, granic działki i ujęć wody również są kluczowe i muszą być zgodne z Prawem Budowlanym.

Jak działa modernizacja szamba w praktyce? Poznaj technologię
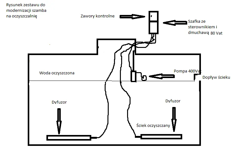
Najpopularniejszą i najbardziej efektywną metodą modernizacji szamba jest zastosowanie tzw. zestawu adaptacyjnego, czyli retrofitu. To nic innego jak kompletny system technologiczny, który montuje się w istniejącym, szczelnym zbiorniku. Dzięki niemu szambo, które dotychczas było tylko magazynem nieczystości, staje się pełnoprawną biologiczną oczyszczalnią ścieków, najczęściej działającą w technologii osadu czynnego (SBR Sequential Batch Reactor).
Technologia SBR polega na cyklicznym procesie oczyszczania w jednej komorze, gdzie naprzemiennie zachodzą fazy napełniania, napowietrzania (oczyszczania biologicznego), sedymentacji (opadania osadu) i dekantacji (odprowadzania oczyszczonej wody). Kluczowe elementy takiego zestawu to:
- Dyfuzor napowietrzający: Odpowiada za dostarczanie tlenu do ścieków, co jest niezbędne dla rozwoju mikroorganizmów odpowiedzialnych za biologiczne oczyszczanie. Zazwyczaj montowany jest na dnie zbiornika.
- Dmuchawa: Urządzenie elektryczne, które tłoczy powietrze do dyfuzora. Jest sercem systemu napowietrzania.
- System sterowania: Elektroniczny panel, który zarządza cyklami pracy oczyszczalni włącza i wyłącza dmuchawę, steruje pompami (jeśli są w zestawie) i monitoruje proces.
- Pompy (opcjonalnie): W zależności od systemu, mogą być stosowane do recyrkulacji osadu lub do odprowadzania oczyszczonych ścieków do odbiornika.
Proces oczyszczania staje się dwuetapowy: najpierw w zbiorniku zachodzi wstępne oczyszczanie beztlenowe (sedymentacja większych cząstek), a następnie, dzięki zamontowanemu systemowi, intensywne napowietrzanie i oczyszczanie biologiczne z udziałem mikroorganizmów, które rozkładają zanieczyszczenia.
Przeróbka szamba na oczyszczalnię w 4 prostych krokach
Modernizacja szamba na przydomową oczyszczalnię, choć brzmi skomplikowanie, w praktyce sprowadza się do kilku kluczowych etapów. Oto przewodnik krok po kroku, który pomoże Wam zaplanować cały proces:
- Wybór odpowiedniego zestawu adaptacyjnego i znalezienie wykonawcy. To pierwszy i bardzo ważny krok. Na rynku dostępnych jest wiele zestawów retrofit, różniących się technologią, wydajnością i ceną. Warto skonsultować się ze specjalistą, który pomoże dobrać system do Waszych potrzeb (liczba mieszkańców, warunki gruntowe) i budżetu. Równie istotne jest znalezienie doświadczonego wykonawcy, który ma doświadczenie w montażu tego typu rozwiązań i zapewni prawidłowe działanie instalacji.
- Przygotowanie zbiornika (opróżnienie, dokładne czyszczenie, inspekcja techniczna). Zanim przystąpimy do montażu, istniejące szambo musi być całkowicie opróżnione z nieczystości i dokładnie wyczyszczone. To kluczowe dla higieny pracy i prawidłowego funkcjonowania nowej oczyszczalni. Po opróżnieniu należy przeprowadzić ostateczną inspekcję techniczną zbiornika, aby upewnić się, że jest szczelny i gotowy na przyjęcie nowych komponentów.
- Montaż kluczowych komponentów wewnątrz zbiornika (dmuchawa, dyfuzory, sterowanie). Ten etap to serce modernizacji. Wykonawca zamontuje wewnątrz zbiornika dyfuzory napowietrzające, a na zewnątrz (zazwyczaj w niewielkiej skrzynce lub specjalnej szafce) umieści dmuchawę i system sterowania. Wszystkie elementy zostaną ze sobą połączone rurami i przewodami elektrycznymi. Ważne jest precyzyjne umiejscowienie dyfuzorów, aby zapewnić równomierne napowietrzanie.
- Budowa systemu odprowadzenia oczyszczonych ścieków, np. drenażu rozsączającego lub studni chłonnej. Ostatni, ale równie ważny krok to stworzenie systemu, który bezpiecznie odprowadzi oczyszczone ścieki do gruntu. Najczęściej stosuje się drenaż rozsączający (system perforowanych rur ułożonych w gruncie) lub studnię chłonną. Wybór metody zależy od warunków gruntowo-wodnych na działce i musi być zgodny z przepisami. Pamiętajcie, że to często wymaga dodatkowych robót ziemnych.
Jakie formalności załatwić przy modernizacji szamba?
Jednym z pytań, które najczęściej słyszę od klientów, jest to dotyczące formalności. Na szczęście, w wielu przypadkach modernizacja szamba na przydomową oczyszczalnię ścieków jest traktowana jako "nieistotne odstąpienie od projektu budowlanego", zgodnie z art. 36a ust. 5 Prawa Budowlanego. Co to oznacza w praktyce? Zazwyczaj nie jest wymagane uzyskanie nowego pozwolenia na budowę, co znacznie upraszcza i przyspiesza cały proces. W większości przypadków wystarczy jedynie zgłoszenie zamiaru wykonania robót budowlanych do odpowiedniego organu administracji architektoniczno-budowlanej (najczęściej jest to starostwo powiatowe).
Zawsze jednak gorąco zachęcam do weryfikacji tej kwestii w lokalnym starostwie powiatowym lub urzędzie gminy. Interpretacje przepisów mogą się różnić, a lokalne uwarunkowania mogą wpływać na wymagane dokumenty. Poniżej przedstawiam listę dokumentów, które mogą być potrzebne przy zgłoszeniu:- Wniosek o zgłoszenie robót budowlanych.
- Szkic lub mapa z oznaczeniem lokalizacji istniejącego szamba i planowanej oczyszczalni (często wystarcza mapa do celów projektowych z naniesionymi zmianami).
- Opis techniczny planowanych robót (np. karta katalogowa zestawu modernizacyjnego).
- Oświadczenie o prawie do dysponowania nieruchomością na cele budowlane.
- W niektórych przypadkach może być wymagana opinia geotechniczna dotycząca warunków gruntowo-wodnych.
- Potwierdzenie zgodności z miejscowym planem zagospodarowania przestrzennego lub warunkami zabudowy.

Koszt modernizacji szamba: inwestycja, która się zwraca
Kwestia kosztów jest zawsze kluczowa. Z mojego doświadczenia wynika, że koszt zakupu i montażu zestawu modernizacyjnego (retrofit) jest często porównywalny lub nawet niższy niż budowa zupełnie nowej, kompletnej oczyszczalni od podstaw. Pamiętajmy, że w przypadku retrofitu wykorzystujemy już istniejący zbiornik, co eliminuje koszty jego zakupu i montażu.
| Aspekt | Koszt modernizacji (zestaw retrofit) | Koszt budowy nowej oczyszczalni |
|---|---|---|
| Zakup zestawu/oczyszczalni | Ok. 5 000 - 15 000 zł (za sam zestaw) | Ok. 10 000 - 25 000 zł (za kompletny system) |
| Robocizna (montaż) | Ok. 2 000 - 5 000 zł | Ok. 3 000 - 8 000 zł |
| Roboty ziemne (drenaż, studnia) | Ok. 3 000 - 8 000 zł | Ok. 3 000 - 8 000 zł |
| Całkowity koszt orientacyjny | Ok. 10 000 - 28 000 zł | Ok. 16 000 - 41 000 zł |
Do powyższych kwot należy doliczyć potencjalne "ukryte koszty", które mogą się pojawić:
- Koszty testu szczelności i ewentualnych napraw istniejącego zbiornika.
- Koszty projektu technicznego (jeśli jest wymagany).
- Koszty badań geotechnicznych gruntu.
- Koszty materiałów do budowy drenażu rozsączającego lub studni chłonnej.
- Koszty przyłączy elektrycznych do dmuchawy i sterownika.
- Koszty wywozu osadu po modernizacji (pierwsze opróżnienie).
Warto jednak pamiętać, że na realizację inwestycji w 2025 roku istnieje realna szansa na uzyskanie dofinansowania! Wiele gmin oraz wojewódzkich funduszy ochrony środowiska i gospodarki wodnej ogłasza nabory wniosków na budowę lub modernizację przydomowych oczyszczalni ścieków. Zachęcam Was do śledzenia lokalnych programów, ponieważ dotacje lub preferencyjne pożyczki mogą znacząco obniżyć koszt inwestycji i przyspieszyć jej zwrot.
Uniknij tych 3 błędów podczas przerabiania szamba
Chociaż modernizacja szamba to świetne rozwiązanie, łatwo popełnić kilka błędów, które mogą zniweczyć całą inwestycję. Jako ekspert, chcę Was ostrzec przed najczęstszymi pułapkami:
- Modernizacja nieszczelnego lub uszkodzonego mechanicznie zbiornika. To błąd numer jeden i absolutnie niedopuszczalny. Jeśli Wasze szambo jest nieszczelne lub ma poważne uszkodzenia konstrukcyjne, przerobienie go na oczyszczalnię nie ma sensu. Oczyszczone ścieki będą się mieszać z nieoczyszczonymi, a cały system będzie nieskuteczny i nieekologiczny. Zawsze zaczynajcie od profesjonalnego testu szczelności i ewentualnych napraw!
- Dobór systemu o zbyt małej lub zbyt dużej wydajności w stosunku do liczby mieszkańców. Wydajność oczyszczalni musi być ściśle dopasowana do liczby osób korzystających z domu. Zbyt mały system będzie przeciążony i nie będzie skutecznie oczyszczał ścieków, co może prowadzić do awarii i nieprzyjemnych zapachów. Zbyt duży system z kolei może mieć problemy z utrzymaniem odpowiedniej biomasy (braknie "pożywki" dla bakterii), co również obniży jego efektywność i zwiększy koszty eksploatacji. Zawsze konsultujcie dobór z fachowcem.
- Nieprawidłowe wykonanie systemu rozsączania oczyszczonej wody (drenażu). Nawet najlepiej działająca oczyszczalnia nie spełni swojej funkcji, jeśli oczyszczone ścieki nie będą miały gdzie bezpiecznie trafić. Błędy w budowie drenażu rozsączającego (np. zbyt mała powierzchnia, niewłaściwy spadek, zły rodzaj gruntu, wysoki poziom wód gruntowych) mogą prowadzić do zalewania terenu, nieprzyjemnych zapachów, a nawet cofania się ścieków do zbiornika. Pamiętajcie o badaniach gruntowo-wodnych i zlecajcie wykonanie drenażu doświadczonym specjalistom.
Przeczytaj również: Oczyszczalnia biologiczna: koszty, dobór, formalności poradnik 2025
Jak dbać o oczyszczalnię po modernizacji szamba?
Po udanej modernizacji szamba na przydomową oczyszczalnię ścieków, kluczowa staje się jej prawidłowa eksploatacja i konserwacja. To właśnie regularne dbanie o system zapewni jego długą, bezawaryjną i efektywną pracę. Oto najważniejsze wskazówki, które zawsze przekazuję moim klientom:
- Regularne przeglądy techniczne: Zalecam coroczne przeglądy wykonywane przez serwisanta. Sprawdzi on stan techniczny wszystkich komponentów, takich jak dmuchawa, dyfuzory, sterownik oraz pompy. Wczesne wykrycie i usunięcie drobnych usterek zapobiegnie poważniejszym awariom.
- Systematyczne stosowanie biopreparatów: Aby wspomóc pracę mikroorganizmów odpowiedzialnych za oczyszczanie, warto regularnie (zazwyczaj raz w miesiącu) stosować specjalne biopreparaty. Zawierają one kultury bakterii, które poprawiają efektywność oczyszczania i redukują powstawanie osadów.
- Kontrola pracy dmuchawy i dyfuzorów: Zwracajcie uwagę na dźwięk pracy dmuchawy wszelkie nietypowe odgłosy mogą świadczyć o problemach. Co jakiś czas warto również sprawdzić, czy dyfuzory równomiernie napowietrzają ścieki (można to zaobserwować przez właz rewizyjny).
- Ograniczenie substancji chemicznych: Unikajcie wylewania do kanalizacji silnych środków chemicznych (np. wybielaczy, rozpuszczalników, dużej ilości detergentów), które mogą zniszczyć florę bakteryjną w oczyszczalni i zaburzyć proces oczyszczania.
- Ograniczenie tłuszczów i odpadów stałych: Nie wylewajcie do zlewu dużych ilości tłuszczu ani nie wrzucajcie do toalety rzeczy, które nie powinny się tam znaleźć (np. patyczków higienicznych, pieluch, fusów z kawy). Mogą one zapchać system lub zaburzyć jego pracę.
- Regularne usuwanie osadu nadmiernego: Mimo że oczyszczalnia biologiczna produkuje znacznie mniej osadu niż szambo, nadal wymaga okresowego opróżniania. Częstotliwość zależy od wielkości zbiornika i intensywności użytkowania, ale zazwyczaj wystarcza to raz na 1-2 lata.





