Ocet w oczyszczalni: Sprawdź, co naprawdę szkodzi bakteriom!
Czy ocet szkodzi bakteriom w oczyszczalni? Rozwiej wątpliwości! Dowiedz się, co naprawdę niszczy mikroflorę i jak dbać o system. Poznaj bezpieczne alternatywy.
Ocet w oczyszczalni: Sprawdź, co naprawdę szkodzi bakteriom!
Czy ocet szkodzi bakteriom w oczyszczalni? Rozwiej wątpliwości! Dowiedz się, co naprawdę niszczy mikroflorę i jak dbać o system. Poznaj bezpieczne alternatywy.
Dotacje na przydomową oczyszczalnię: Zdobądź do 80% wsparcia!
Jak zdobyć dofinansowanie na przydomową oczyszczalnię? Poznaj programy gminne i ogólnopolskie, warunki i proces wnioskowania. Uzyskaj do 80% zwrotu kosztów!
Ile zarabia pracownik oczyszczalni ścieków? Mediana i widełki płacowe
Sprawdź, ile zarabia pracownik oczyszczalni ścieków w Polsce! Poznaj medianę 6120 zł brutto, widełki płacowe, wymagania i benefity pozapłacowe.
Przydomowa oczyszczalnia ścieków: Lepsza niż szambo? Rodzaje i działanie
Przydomowa oczyszczalnia ścieków to ekologiczna alternatywa dla szamba. Dowiedz się, jak działa, jakie są jej rodzaje i którą wybrać dla Twojej działki. Sprawdź kompleksowy przewodnik!
Czajka: 1991 data powstania czy początek? Poznaj jej historię
Odkryj, kiedy powstała Oczyszczalnia Czajka i poznaj jej pełną historię: od lat 70., przez uruchomienie w 1991, po modernizacje i awarie. Sprawdź!
Przydomowa oczyszczalnia ścieków: Jak działa krok po kroku?
Dowiedz się, jak działa przydomowa oczyszczalnia ścieków krok po kroku. Poznaj etapy oczyszczania, technologie (osad czynny, złoże biologiczne) i zasady dbałości. Uniknij błędów!
Jak obliczyć wielkość oczyszczalni ścieków? Uniknij błędów!
Oblicz wielkość przydomowej oczyszczalni ścieków krok po kroku. Poznaj wzory, RLM i uniknij kosztownych błędów. Sprawdź, jak dobrać idealne rozwiązanie!
Montaż oczyszczalni: Jak uniknąć błędów i zyskać dofinansowanie?
Kompleksowy poradnik montażu przydomowej oczyszczalni ścieków. Poznaj formalności, wybierz technologię, sprawdź koszty i dofinansowania. Uniknij błędów!
Oczyszczalnia: Ile prądu zużywa i jak obniżyć koszty?
Ile prądu zużywa przydomowa oczyszczalnia ścieków? Sprawdź roczne koszty (200-500 zł), co wpływa na zużycie i jak obniżyć rachunki. Porównanie z szambem.
Kruszywo do oczyszczalni: ile i jakie? Oblicz sam!
Ile kruszywa do oczyszczalni potrzebujesz? Sprawdź, jaki żwir płukany wybrać do drenażu i podsypki. Oblicz ilość w tonach krok po kroku i uniknij błędów!
Jak zbudować oczyszczalnię przydomową? Koszty, formalności, dotacje
Kompleksowy poradnik, jak zbudować przydomową oczyszczalnię ścieków. Poznaj koszty (od 9 tys. zł), formalności, wybór technologii i dotacje. Sprawdź, czy się opłaca!
Formalności oczyszczalnia ścieków: Zgłoszenie czy pozwolenie?
Formalności dla przydomowej oczyszczalni ścieków: zgłoszenie czy pozwolenie? Poznaj zasady Prawa budowlanego i wodnego. Uniknij kar! Sprawdź!
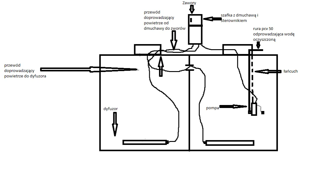
Jak działa oczyszczalnia ścieków? Poznaj proces krok po kroku
Jak działa oczyszczalnia ścieków? Poznaj etapy: mechaniczne, biologiczne i chemiczne. Dowiedz się, co dzieje się z osadem i czystą wodą!
Jak ukryć oczyszczalnię? Rośliny i mała architektura w ogrodzie
Odkryj sprawdzone sposoby, jak ukryć przydomową oczyszczalnię ścieków w ogrodzie. Wybierz bezpieczne rośliny i małą architekturę. Sprawdź, czego unikać!
Co z wodą z oczyszczalni biologicznej? Użyj jej mądrze i legalnie
Co zrobić z wodą z oczyszczalni biologicznej? Odkryj legalne i bezpieczne sposoby na jej wykorzystanie w ogrodzie lub odprowadzenie do gruntu. Oszczędzaj i dbaj o środowisko!
Ile kosztuje wywóz szamba? Cennik 2025, obowiązki i oszczędności
Sprawdź aktualne koszty wywozu szamba w 2025 (250-600 zł), czynniki wpływające na cenę i Twoje obowiązki prawne. Dowiedz się, jak oszczędzić!
Przydomowa oczyszczalnia ścieków: Jak działa krok po kroku?
Dowiedz się, jak działa przydomowa oczyszczalnia ścieków krok po kroku. Poznaj etapy oczyszczania, technologie, zasady eksploatacji i przepisy. Sprawdź nasz przewodnik!
Dofinansowanie do oczyszczalni: Jak zdobyć nawet 12 000 zł w 2025?
Jak uzyskać dofinansowanie do przydomowej oczyszczalni ścieków w 2025? Sprawdź warunki, źródła i 5 kroków do dotacji. Uniknij błędów i odbierz nawet 12 000 zł!
Przeróbka szamba na oczyszczalnię: Koszt, formalności, krok po kroku
Przerób szambo na oczyszczalnię! Sprawdź koszt (4-9,5 tys. zł), formalności i krok po kroku, jak to zrobić legalnie. Oszczędź i zadbaj o ekologię.
Ile kosztuje przydomowa oczyszczalnia? Pełny kosztorys i dofinansowanie
Oszacuj koszt przydomowej oczyszczalni ścieków (12-40 tys. zł). Poznaj pełny kosztorys, eksploatację, zwrot inwestycji i dostępne dofinansowania. Sprawdź!
Jaki kamień pod drenaż oczyszczalni? Wybierz żwir 16-32 mm!
Wybierz najlepszy kamień pod drenaż oczyszczalni! Poznaj zalecany żwir płukany 16-32 mm, instrukcję układania, koszty i błędy. Sprawdź, by uniknąć awarii.
Przydomowa oczyszczalnia: Legalizacja krok po kroku. Uniknij kar!
Kompletny przewodnik po legalizacji przydomowej oczyszczalni ścieków. Sprawdź, jak zgłosić budowę, załatwić formalności i uniknąć kar.
Opróżnianie oczyszczalni: Jak często? Uniknij kary 5000 zł!
Jak często opróżniać przydomową oczyszczalnię? Poznaj obowiązki prawne, uniknij kary do 5000 zł i dowiedz się, jakie dokumenty są kluczowe. Sprawdź!
Przydomowa oczyszczalnia: co ile wywóz osadu? Uniknij kar!
Dowiedz się, co ile wywóz osadu z przydomowej oczyszczalni ścieków. Poznaj obowiązki prawne, uniknij kar i błędów w eksploatacji. Sprawdź nasz poradnik!
Oczyszczalnia biologiczna czy drenażowa? Uniknij drogich błędów!
Oczyszczalnia biologiczna czy ekologiczna? Analizujemy koszty, wymagania działki i skuteczność obu rozwiązań. Dowiedz się, która jest dla Ciebie lepsza!